聯系我們
Contact Us公司總機:020-8998-6280
技術熱線:020-3893-9734
技術郵箱:support@tronlong.com
銷售郵箱:sales@tronlong.com
T3/A40i全國產方案參數詳解!
2022/01/24
創龍科技T3/A40i核心板采用100%國產元器件方案,并經過專業的PCB Layout和高低溫測試驗證,穩定可靠,可滿足各種工業應用環境。創龍科技T3/A40i評估底板大部分元器件均采用國產方案,方便用戶快速進行產品方案評估與技術預研。
圖 1 核心板正面圖

圖 2 核心板背面圖

圖 3 核心板硬件框圖

圖 4評估板硬件資源圖
1 CPU
核心板CPU型號為全志科技T3/A40i(T3與A40i管腳兼容),LFBGA封裝,工作溫度為-40°C~85°C,引腳數量為468個,尺寸為16mm*16mm。
處理器架構如下:表 1


圖 5 T3處理器功能框圖
圖 6 A40i處理器功能框圖
2 ROM
核心板通過SMHC(主機控制器)連接至eMMC,使用SDC2總線,采用8bit數據線。eMMC型號兼容江波龍(Longsys)公司的FEMDRW008G-88A37(8GByte)、康盈(Kowin)公司的KAS0311D(8GByte)。
3 RAM
核心板通過專用SDRAM總線連接2片DDR3,分別采用16bit數據線,共32bit。DDR3型號兼容紫光國芯(UniIC)公司的SCB13H4G160AF-11MI(512MByte)和SCB13H8G162BF-13KI(1GByte)、江波龍(Longsys)公司的F60C1A0004-M79W(512MByte),支持DDR3-1152工作模式(576MHz)。
4 晶振
核心板采用兩個工業級晶振Y1和Y2。Y1用作CPU內部RTC使用。Y2為CPU提供系統時鐘源。
--------------------------------------
Y1型號:SF20WK32768D31T007
廠家:江蘇長晶科技有限公司
時鐘頻率:32.768KHz
精度:±20ppm
--------------------------------------
Y2型號:CJ13-240001220B30
廠家:泰晶科技股份有限公司
時鐘頻率:24MHz
精度:±10ppm
5 電源
核心板采用專用工業級PMIC電源管理芯片,滿足系統的供電要求和CPU上電、掉電時序要求,核心板采用5V直流電源供電。
PMIC型號:AXP221s,68-pin QFN封裝
廠家:深圳芯智匯科技有限公司
6 網口
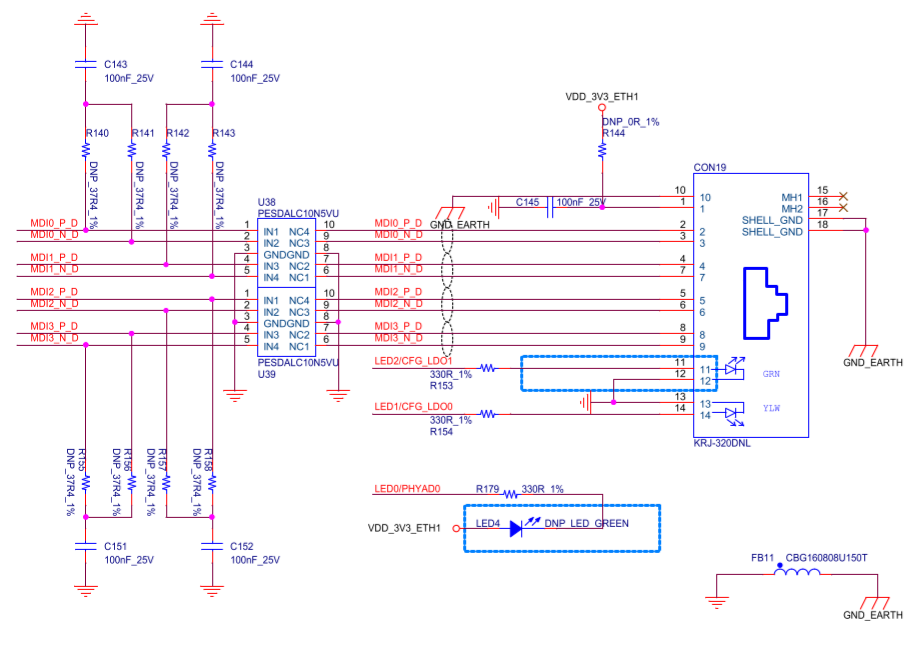
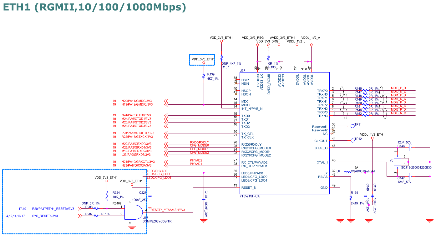
評估板包含1個RGMII ETH千兆網口和1個MII ETH百兆網口。
RGMII ETH千兆網口
T3/A40i處理器內部集成1個GMAC控制器,支持1路RGMII千兆網口。
PHY型號:YT8521SH-CA,10/100/1000M自適應
廠家:蘇州裕太車通電子科技有限公司
圖 7

圖 8

圖 9

圖 10
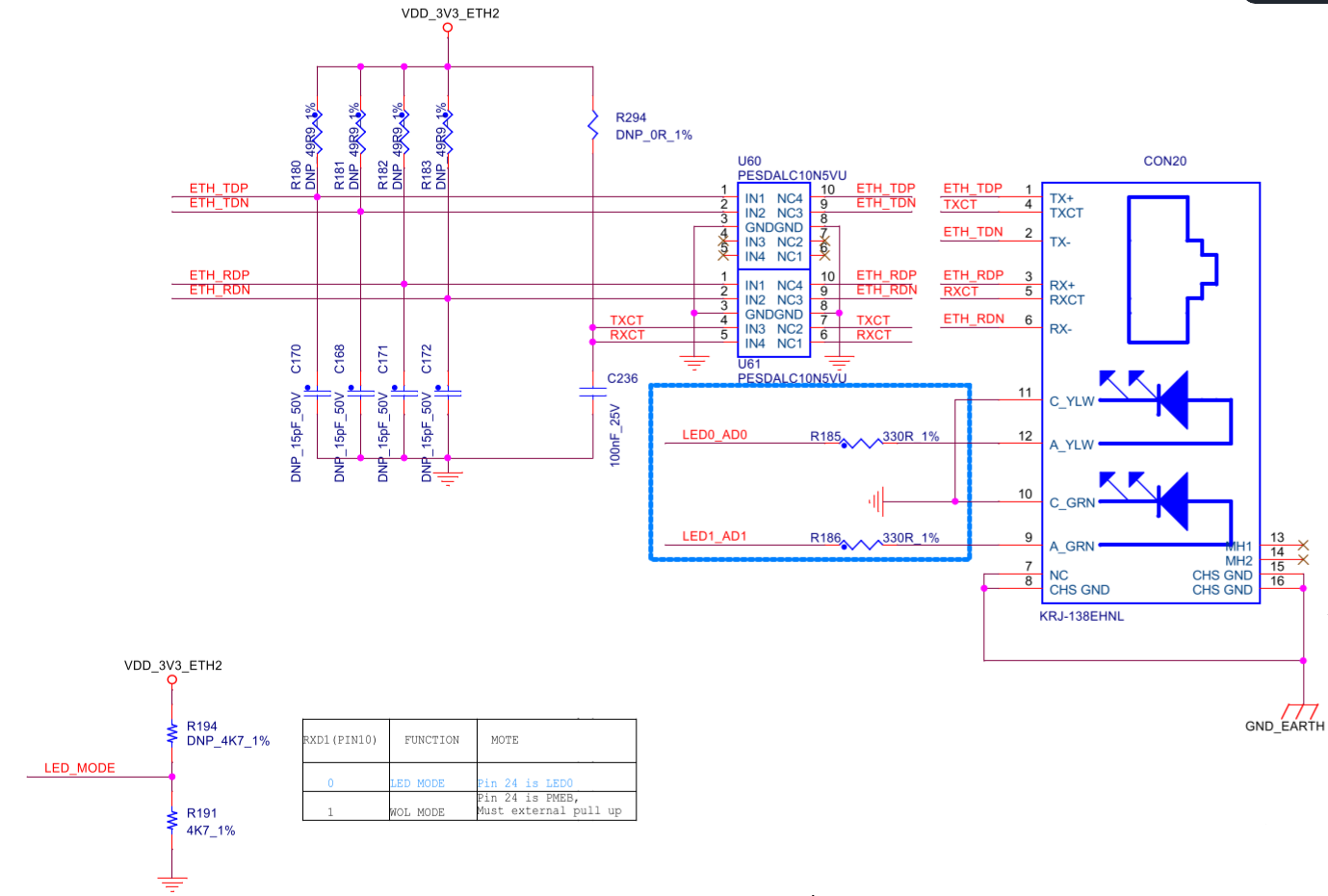
MII ETH百兆網口
T3/A40i處理器內部集成1個EMAC控制器,支持1路MII百兆網口。
PHY型號:YT8512H,10/100M自適應
廠家:蘇州裕太車通電子科技有限公司

圖 11
圖 12
圖 13

圖 14
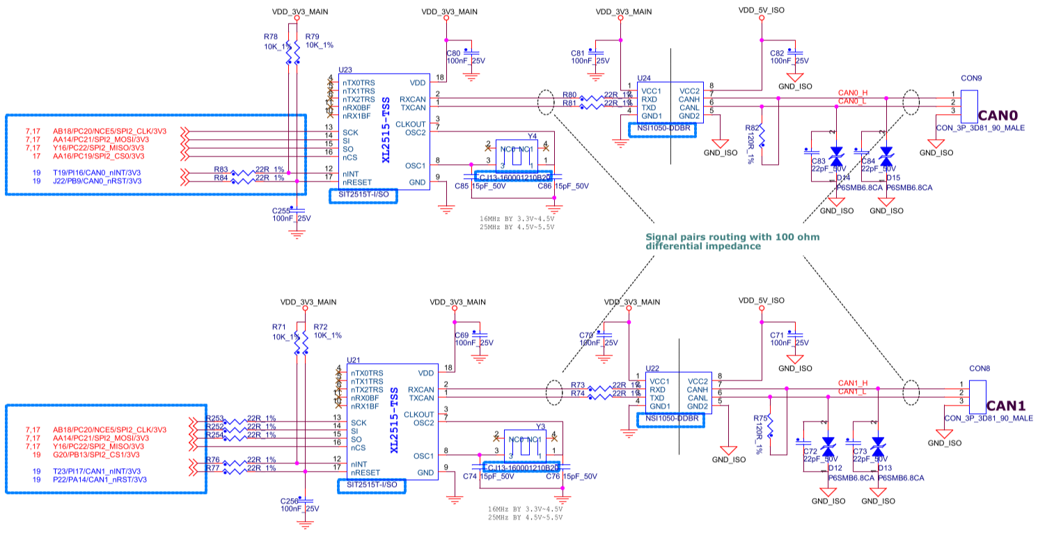
7 CAN
評估板通過SPI2總線(2個片選)拓展引出的2路CAN接口。
SPI轉CAN芯片型號:SIT2515T-ISO
廠家:芯力特電子科技有限公司
性能:兼容“ISO 11898”標準,速率高達1Mbps

圖 15 CAN接口原理圖
購買鏈接:https://tronlong.tmall.com
產品資料下載請點擊下方鏈接或打開微信掃描二維碼
http://site.tronlong.com/pfdownload

服務熱線
