聯系我們
Contact Us公司總機:020-8998-6280
技術熱線:020-3893-9734
技術郵箱:support@tronlong.com
銷售郵箱:sales@tronlong.com
基于FPGA的光口通信開發案例
2021/01/21
前言
自著名華人物理學家高錕先生提出“光傳輸理論”,實用化的光纖傳輸產品始于1976年,經歷了PDH→SDH→DWDM→ASON→MSTP的發展歷程。本世紀初期,ASON/OADM技術已在通信技術當中廣泛應用,逐漸發展成為以骨干網絡傳輸為介質的ROADM技術。
圖1
光通信技術具有如下特點:
(1) 信息容量大。
(2) 損耗低,可長距離傳送。
(3) 抗電磁干擾能力強。
(4) 安全性能和保密性好。
(5) 重量輕,體積小,便于施工維護。
(6) 原材料來源豐富潛在價格低廉。
得益于以上特點,光通信在軟件無線電、視頻追蹤、光電探測、定位導航、水下通信、電力設備等場合應用十分廣泛。而10G光模塊經歷了從300Pin、XENPAK、X2、XFP的發展,最終實現了用和SFP一樣的尺寸傳輸10G的信號,這就是SFP+。SFP憑借其小型化、低成本等優勢滿足了設備對光模塊高密度的需求,從2002年標準推行到2010年,已經取代XFP成為10G市場主流。
創龍科技(Tronlong)的Kintex-7、Zynq-7045/7100等處理板卡已提供2/4通道SFP+光口,可實現UDP或Aurora 10G光口通信。本文將為您分享基于Kintex-7 FPGA SFP+光口的10G UDP網絡通信開發案例。如需基于Kinte-7 FPGA或者ZYNQ的Aurora開發案例,歡迎與我們聯系。
1 硬件平臺
本文基于創龍科技TLK7-EVM評估板進行演示
。
TLK7-EVM是一款基于Xilinx Kintex-7系列FPGA設計的高端評估板,由核心板和評估底板組成。核心板經過專業的PCB Layout和高低溫測試驗證,穩定可靠,可滿足各種工業應用環境。
評估板接口資源豐富,引出FMC、SFP+、PCIe、SATA、HDMI等接口,方便用戶快速進行產品方案評估與技術預研。
圖2 TLK7-EVM評估板
開發案例主要包括:
● CameraLink、SDI、HDMI、PAL視頻輸入/輸出案例
● 高速AD(AD9613)采集 +高速DA(AD9706)輸出案例
● AD9361軟件無線電案例
● UDP(10G)光口通信案例
● UDP(1G)光口通信案例
● Aurora光口通信案例
● PCIe通信案例
案例源碼、產品資料(用戶手冊、核心板硬件資料、產品規格書)可點擊下方鏈接或掃碼二維碼獲取。
http://site.tronlong.com/pfdownload
圖3
2 案例功能
評估板通過SFP+光口接收上位機數據后,將數據重新發送至上位機(PC),以驗證基于SFP+光口的10G UDP網絡通信功能。評估板作為UDP Server,上位機作為UDP Client。
圖4 程序功能框圖
3 案例演示
將ZBNET的萬兆網卡MCX311插入PC機的PCIe插槽中,并將一個SFP+多模雙纖光模塊接入萬兆網卡,將另一個SFP+多模雙纖光模塊接入評估板SFP1光口。使用兩根光纖線纜分別將SFP1的RX與萬兆網卡的TX相連接,SFP1的TX與萬兆網卡的RX相連接。SFP1光口使用GTX Quad 116的MGTXRX_0、MGTXTX_0引腳。
圖5
圖6
評估板IP地址已通過udp_ip_10g模塊配置為192.168.0.25。請設置PC機IP地址與評估板IP地址處于同一網段。此處將PC機IP地址設置為192.168.0.88,子網掩碼設為255.255.254.0。
圖7
請運行程序,此時PC機將會識別網絡連接狀態為10Gbps。
圖8
由于udp_ip_10g模塊不支持ARP(Address Resolution Protocol)地址解析協議,因此需通過添加評估板IP地址和MAC地址的靜態映射關系。請以管理員身份打開Windows PowerShell,并執行如下命令。
Windows#arp -s 192.168.0.25 00-23-20-21-22-23 //添加評估板IP地址和MAC地址的靜態映射關系
Windows#arp -a //查看添加狀態
圖9
雙擊打開產品資料“4-軟件資料\Tools\”目錄下的網絡調試工具SocketTool_NoAD.exe,在彈出的界面中點擊“UDP Client ->創建”,在“對方IP”中輸入評估板IP地址,再點擊確定。
圖10
在“數據發送窗口”中輸入需發送至評估板的數據,再點擊“發送數據”?!皵祿邮占疤崾敬翱凇敝袑⒋蛴∮蒔C機發送至評估板,以及由評估板發送至PC機的數據。
圖11
4 模塊/IP核配置
4.1 cdcm6208_spi_cfg模塊
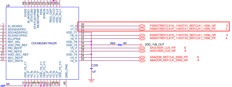
本案例使用cdcm6208_spi_cfg模塊配置CDCM6208的Y7時鐘管腳輸出156.25MHz時鐘,作為GTX Quad 116的參考時鐘。
更多說明可參考clkgen_cdcm6208案例相關內容。
圖12
圖13
4.2 10G Ethernet PCS/PMA IP核
本案例使用10G Ethernet PCS/PMA IP核實現物理層(PCS與PMA)功能。
10G Ethernet PCS/PMA IP核開發文檔為產品資料“6-開發參考資料\Xilinx官方參考文檔\”目錄下的《pg068-ten-gig-eth-pcs-pma.pdf》,具體配置說明如下。
(1) 選中"Additional transceiver control and status ports",新增并設置TX Pre-Cursor、TX Post-Cursor和TX Diff Swing選項值,以提高GTX信號傳輸質量。其中tx_pre_cursor設置為0x15、tx_pre_cursor設置為0xA、tx_diff_swing設置為0x9。
圖14
圖15
(2) 勾選Shared Logic的"Include Shared Logic in core",配置10G Ethernet PCS/PMA IP核包含共享邏輯。
圖16
4.3 udp_ip_10g模塊
本案例使用udp_ip_10g模塊實現10G UDP協議棧與MAC層。
udp_ip_10g模塊開發文檔為產品資料“6-開發參考資料\其他參考文檔\”目錄下的《udp_ip_10g.pdf》。udp_ip_10g模塊源碼為"project\udp_10g_echo.srcs\sources_1\imports\udp_ip_10g_stack\"。
圖17 udp_ip_10g模塊主要特性
圖18 udp_ip_10g模塊邏輯框架
udp_ip_10g模塊具體配置說明如下。
圖19
(1) 設置鏈路速率為10Gbps。
圖20
圖21
(2) 設置評估板MAC地址為00-23-20-21-22-23,IP地址為192.168.0.25,子網掩碼為255.255.254.0。
圖22
圖23
圖24
5 免費試用
掃描下方二維碼,即可申請TLK7-EVM評估板進行快速評估,免費哦!
圖25
6 技術交流群
Kintex-7 FPGA交流群:311416997、101245165
Zynq-7000交流群:645235672、193393878
7 更多推薦
基于Kintex-7 FPGA、ZYNQ的CameraLink視頻采集案例,下期為您揭曉,敬請期待。
圖26

服務熱線